全國服務熱線
400-875-1500
400-875-1500
銷售熱線:13720093566

掃一掃,添加銷售經理
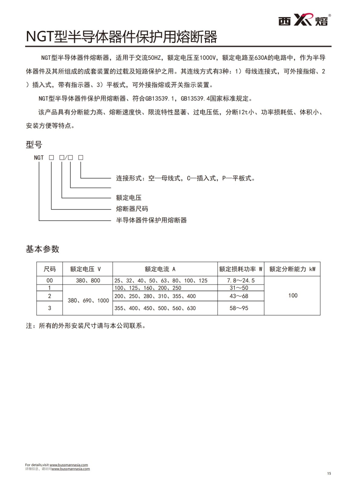
NGT-1 800V快速熔斷器
庫存料號:NGT-1 800V/200A
連線方式有3種:
1)母線連接式,可外接指熔
2)插入式,帶有指示器
3)平板式,可外接指熔或開關指示裝置。
符合標準:GB13539.1,GB13539.4國家標準規定
分享至:
- 產品介紹
- 視頻中心
- 相關證書
- 樣品申請
- PDF下載




上一篇:NGT-1 700快速熔斷器 下一篇:NGT-3 660V快速熔斷器






銷售熱線


















